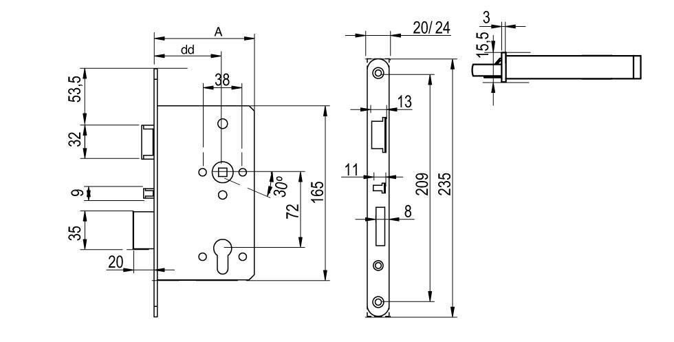
XS4 LE7W - European Mortise Lock
The XS4 DIN Mortise lock LE7W is an automatic deadbolt projection mortise lock that fits the DIN standards. This mortise lock is secure and robust, as it has an intelligent system that projects the deadbolt automatically when the door is closed to ensure that it is properly locked.

FINISH