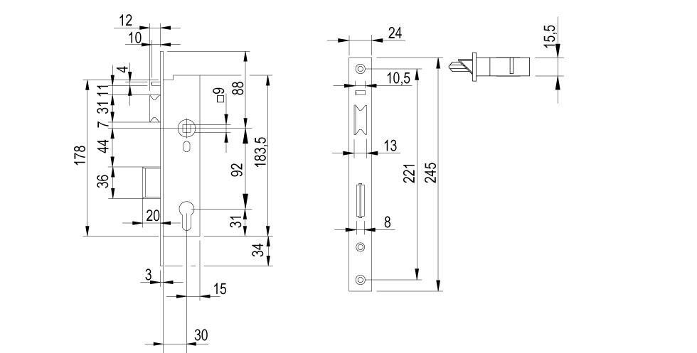
XS4 LE9W - European Mortise Lock
SALTO offers different mortise locks suitable for narrow profile doors. The XS4 LE9W is a mortise lock compatible with DIN lock cases that offers a high quality product, and also allows use with an automatic deadbolt projection.
