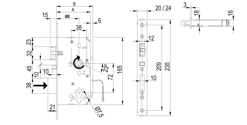
XS4 LE7S - European Mortise Lock
The SALTO XS4 LE7S is a DIN compatible mortise lock that offers a wide range of operations and functions possibilities to improve access control with a reliable locking solution. It includes integrated electronic detectors* to monitorize in real-time the door status, providing an easy to install solution without any additional hardware or drilling needs.
