XS4 Cartridge Cylindrical Latch

XS4 Cartridge Cylindrical Latch

With the SALTO XS4 cylindrical latch, you can replace existing traditional knob sets and upgrade them with a state of the art electronic access control system. SALTO Cartridge cylindrical latches meet ANSI A156.2 Grade 1 requirements, and enable users to replace old cylindrical or tubular latches with new, high quality ones compatible with SALTO electronic escutcheons.

XS4 Cartridge Cylindrical Latch

 

Features

  • Meets ANSI A156.2 Grade 1 cylindrical latch requirements.
  • Suitable for XS4 Original ANSI standard escutcheons and XS4 Mini ANSI models.
  • Cartridge, latch and deadbolt made of steel.
  • Equipped with auxiliary latch (anti card system) to prevent unwanted intrusions.
  • Different backsets.
  • Strike plate and dust box included.

Technical Characteristics

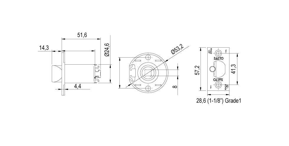
  • Squared front plate.
  • 8mm (5⁄16") square spindle.
  • Turning angle 58º.
  • Backsets available: 60mm (2-3⁄8"), 70mm (2-3⁄8"), 95mm (3-3⁄4") and 127mm (5").
  • Front plates available: 28,6mm (1-1⁄8") x 57,2mm (2-1⁄4")

Handing

  • Symmetrical latch for more convenience, no handing needed.

Operations and functions

  • The handle retracts the latch to normal position.

Technical Drawing

XS4 Cartridge Cylindrical Latch